0793荔枝视频在线观看免费高清视频是一种单端梁式荔枝视频在线观看免费高清视频,且该传感器为防爆荔枝视频在线观看免费高清视频,适用于恶劣的工业环境,通常应用是罐式称重和地板秤。0793荔枝视频在线观看免费高清视频的额定量程分别为500,1000,2500,4000,5000磅。


0793荔枝视频在线观看免费高清视频技术参数:
| 参数 | 值 | 单位 |
| 型号 | 0793 | |
| 额定量程 | 500,1000,2500,4000,5000 | lb |
| 灵敏度 | 3.0±0.09 | mv/v |
| 零点输出 | <1 | %R.C. |
| 综合误差 | <0.03 | %R.C. |
| 重复性误差 | <0.01 | %R.C. |
| 蠕变(30分钟) | <0.03 | %R.C. |
| 温度补偿范围 | -10~+40 | ℃ |
| 使用温度范围 | -18~+65 | ℃ |
| 灵敏度温度系数 | <0.0015 | %R.c.y℃ |
| 零点温度系数 | <0.0025 | %R.c.y℃ |
| 输入阻抗 | 350±4 | Ω |
| 输出阻抗 | 350±3 | Ω |
| 绝缘电阻 | >5000 | MΩ |
| 建议激励电压 | 10 | V(DC/AC) |
| 最大激励电压 | 15 | V(DC/AC) |
| 安全过载 | 150 | %R.C. |
| 极限过载 | 300 | %R.C. |
| 防护等级 | IP68 | |
| 电缆长度 | 20 | ft |
| 材质 | 不锈钢 |
0793荔枝视频在线观看免费高清视频性能优势:
1.引入螺纹孔负载
2.NTEP 3000d III级S和5000d III级M
3.FM认证
4.不锈钢结构
5.非常紧密的密封,IP68保护
6.专为中等量程设计-500至5000磅
0793荔枝视频在线观看免费高清视频线缆颜色:绿色:+激励;黑色:-激励;白色:+信号;红色:-信号;黄色:屏蔽
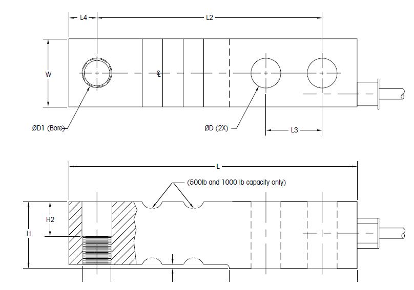
0793荔枝视频在线观看免费高清视频外形尺寸

| D(2X) | DI | D2 | H | H1 | H2 | L | LI | L2 | L3 | L4 | W | |
| 500 - 5000 lb | 0.53" | 0.53" | 1/2-2OUNF-2B | 1.19" | 0.07" | 0.62" | 5.12" | 2.27" | 4.00" | 1.00" | 0.50" | 1.21" |
上一篇:0714荔枝视频在线观看免费高清视频 下一篇:0743荔枝视频在线观看免费高清视频
